RECOM Power RPL-x-EVM-1 Evaluation Modules

RECOM Power RPL-x-EVM-1 Evaluation Modules are ready-to-go evaluation platforms for the RPL-1.0, RPL-5.0, and RPL-10(20) Buck Regulator Modules. The evaluation modules evaluate output voltage selection from 1V to 12V, control, and sensing functions. The RPL-x-EVM-1 modules feature a class B EMI filter with thermal design considerations to optimize performance. The RECOM Power RPL-x-EVM-1 Evaluation Modules are ideal for industrial controllers, microprocessors, microcontrollers, and industrial Internet of Things (IoT).

Features

  • Evaluation platform for the RPL-1.0, RPL-5.0, and RPL-10(20) Buck Regulator Modules
  • Thermal design considerations
  • EMI Class B filter
  • Evaluates output voltage selection, control, and sensing functions
  • OCP and UVLO protections

Applications

  • Industrial controllers
  • Microprocessors
  • Microcontrollers
  • Industrial IoT

Specifications

  • 2.75VDC to 22VDC input voltage range
  • Output voltage pre-selects
    • 1VDC, 1.2VDC, 1.8VDC, 2.5VDC, 3.3VDC, 5VDC, 12VDC
  • 1000mA to 20,000mA max output current rating
  • 600kHz to 1600kHz switching frequency

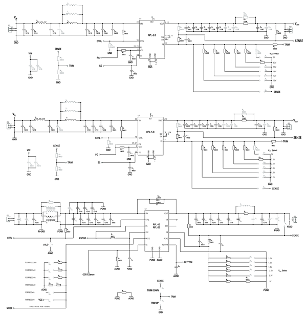
Schematics

Schematic - RECOM Power RPL-x-EVM-1 Evaluation Modules
Published: 2024-05-29 | Updated: 2024-05-30