Renesas Electronics ISL85009 Synchronous Buck Regulator
Renesas Electronics ISL85009 Synchronous Buck Regulator is a high-efficient monolithic regulator. The regulator delivers 9A of continuous output current from a 3.8V to 18V input supply. The ISL85009 device uses current mode control architecture with a fast transient response and excellent loop stability. This device can also be synchronized to an external clock of up to 1MHz. Features input or output overvoltage and overtemperature protections integrated into the device that gives system-level safety during fault conditions. Applications include servers and cloud infrastructure Point-Of-Loads (POLs), Infrastructure Protection Centre (IPCs), factory automation, and PLCs.The Renesas Electronics ISL85009 Synchronous Buck Regulator is housed in a compact 3.5mm x 3.5mm TQFN-15 package ideal for space-constrained applications.
Features
- Power input voltage range variable 3.8V to 18V
- PWM output voltage adjustable from 0.6V up to 9A output load
- Pre-bias start-up and fixed 3ms soft-start
- Selectable fSW of 300kHz, 600kHz, and external synchronization up to 1MHz
- Peak current mode control
- DCM/CCM
- Thermally compensated current limit
- Internal/external compensation
- 3.5mm x 3.5mm TQFN-15 package
Applications
- Servers and cloud infrastructure Point-Of-Loads (POLs)
- Infrastructure Protection Centre (IPCs), factory automation, and PLCs
- Telecom and networking systems
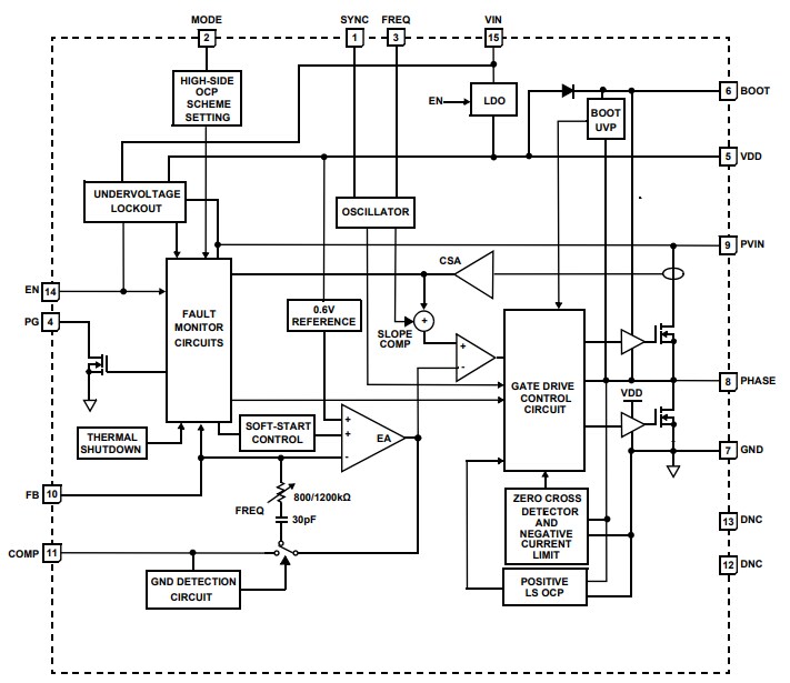
Block Diagram
Typical Application Circuit
Published: 2017-06-28
| Updated: 2022-06-29
