ROHM Semiconductor BM2SC12xFP2-LBZ AC-DC Converters with SiC MOSFETs

ROHM Semiconductor BM2SC12xFP2-LBZ AC-DC Converters with SiC MOSFETs are quasi-resonant AC-DC converters that enable soft switching and low EMI. These converters come with a built-in 1700V 4A Silicon-Carbide MOSFET. The AC-DC converters feature low current consumption during standby and burst operation at light load. The BM2SC12xFP2-LBZ AC-DC Converters offer undervoltage lock-out (UVLO), overvoltage protection (OVP), and overcurrent protection circuits per cycle. Typical applications include a power supply for industrial equipment, AC adaptors, and household appliances.

ROHM Industrial

Infographic - ROHM Semiconductor BM2SC12xFP2-LBZ AC-DC Converters with SiC MOSFETs

Features

  • Quasi-resonant AC-DC converters
  • Built-in 1700V/4A/1.12Ω (typical) SiC-MOSFET
  • Low EMI
  • Frequency reduction function
  • Burst operation at light load
  • Overcurrent protection circuit per cycle
  • Overvoltage protection function
  • VCC overload protection function
  • VCC undervoltage lock-out protection
  • Soft-start function

Applications

  • General-purpose inverters
  • AC servos
  • Programmable logic controllers (PLCs)
  • Power supplies for industrial equipment
  • Household appliances
  • Manufacturing equipment
  • AC adapter
  • Robots
  • Industry lighting

Specifications

  • 19µA low current consumption during standby
  • 2000µA normal operating current (typical)
  • 500µA burst operating current (typical)
  • Operating power supply voltage range
    • 15V to 27.5V (VCC)
    • 1700V (minimum) DRAIN
  • 120kHz operating frequency (typical)
  • Package options
    • 10mm x 4.5mm x 25.6mm TO220-6M
    • 10.18mm x 15.5mm x 4.43mm TO263-7L

Block Diagram

Block Diagram - ROHM Semiconductor BM2SC12xFP2-LBZ AC-DC Converters with SiC MOSFETs

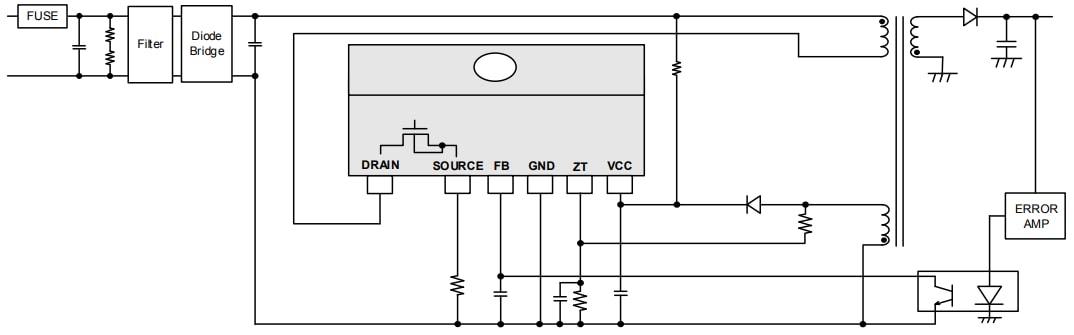
Application Circuit Diagram

Application Circuit Diagram - ROHM Semiconductor BM2SC12xFP2-LBZ AC-DC Converters with SiC MOSFETs
Published: 2019-05-16 | Updated: 2024-01-23