ROHM Semiconductor BD1693x Half-Bridge Drivers
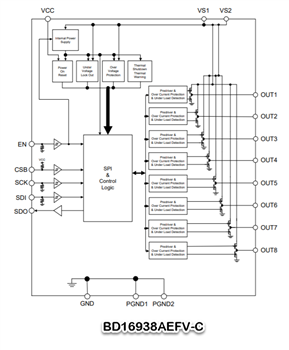
ROHM Semiconductor BD1693x Half-Bridge Drivers feature SPI control, three-mode output control, and low standby current for automotive applications. These drivers include built-in protection diode against output reverse voltage, Over Voltage Protection (OVP), Over Current Protection (OCP), and under load detection. The BD1693x drivers provide Under Voltage Lock Out (UVLO), Thermal Shutdown (TSD), and Thermal Warning (TW). These half-bridge drivers operate at 6.3V to 32V supply voltage range and -40°C to 125°C temperature range. The BD1693x drivers offer 1A maximum output current, 5mA SDO output current, and 150°C maximum junction temperature. These drivers come in 8 channels and 6 channels for automotive applications.Features
- Three mode output control:
- High, low, and high impedance
- Low standby current
- Built-in protection diode against output reverse voltage
- Over Current Protection (OCP) at VS supply stage
- Under Load Detection (ULD) at VS supply stage
- Over Voltage Protection (OVP) with OVDSEL mode at VS supply stage
- Under Voltage Lock Out (UVLO) at VS supply stage
- Thermal Shutdown (TSD)
- Thermal Warning (TW)
- BD16938AEFV-C:
- Half-bridge 8 circuits
- BD16939AEFV-C:
- Half-bridge 6 circuits
Specifications
- 6.3V to 32V supply voltage range
- -40°C to 125°C operating temperature range
- 1A maximum output current
- -0.3V to 40V power supply voltage range
- 150°C maximum junction temperature
Applications
- Automotive body electronics
- HVAC (Heating, Ventilation, and Air Conditioning)
- Door mirrors
Additional Resources
Published: 2021-02-16
| Updated: 2022-03-11
