ROHM Semiconductor BD9V100MUF-EVK-001 Evaluation Board
ROHM Semiconductor BD9V100MUF-EVK-001 Evaluation Board is designed to evaluate the BD9V10xMUF-LB Current Mode Synchronous Buck Converter. The BD9V10xMUF-LB Current Mode Synchronous Buck Converters feature a 16V to 60V wide range input voltage range and utilize a very short minimum pulse width (down to 20ns), which enables direct conversion from 60V power supply to 3.3V at 2.1MHz operation.The BD9V100MUF-EVK-001 Evaluation Board does not have any switches or settings to configure. This allows the board to operate by applying the input voltage to the board's BAT+ and BAT- terminals.
Applications
- Industrial equipment
- Consumer supplies
Specifications
- FR-4 material
- 1.6mm board thickness
- 1oz copper thickness
- 80mm x 100mm board size
- 0.15mm minimum copper width
- 0.15mm minimum air gap
- 0.3mm minimum hold gap
Overview
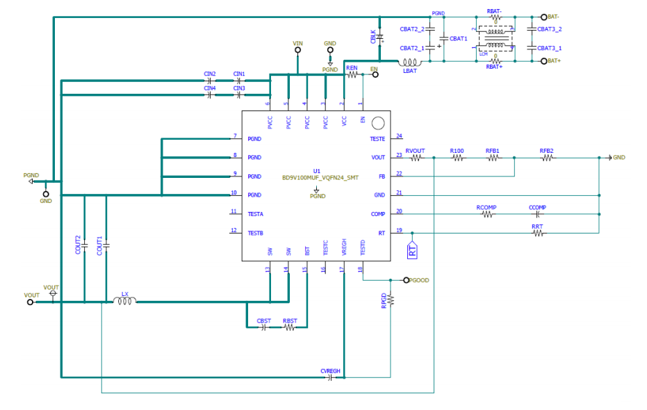
Schematic
Published: 2019-10-08
| Updated: 2024-02-06
