Semtech GS3241 3G-SDI Re-timing Adaptive Cable Equalizer

Semtech GS3241 3G-SDI Re-timing Adaptive Cable Equalizer is a low-power and multi-rate re-timing device. Semtech GS3241 is designed to equalize and restore signals, compensate for DC content of SMPTE pathological signals, and re-time the incoming data. The integrated eye monitor provides a non-disruptive mission mode analysis and the 256 x 128 resolution scan matrix allows accurate signal analysis. This equalizer includes built-in macros that enable customizable cross-section analysis and quick horizontal and vertical eye-opening measurements. The GS3241 is pin-compatible with the GS12141, GS12241 single input, and GS12142 dual input 12G UHD-SDI multi-rate re-timing cable equalizers. This GS3241 equalizer finds its applications in cameras, switchers, distribution amplifiers, and routers.

Features

  • 75Ω cable input interface with on-chip termination
  • SMPTE ST 424, ST 292-1, and ST 259 compliant input/output
  • Multi-standard operation from 1Mb/s to 2.97Gb/s
  • In addition to standard SMPTE rates, the device also supports re-timing of DVB-ASI at 270Mb/s and MADI at 125Mb/s
  • 3D input signal eye monitor
  • PRBS generator and checker
  • Automatic cable equalization—typical equalized cable lengths of Belden 1694A cable:
    • 190m at 2.97Gb/s
    • 260m at 1.485Gb/s
    • 450m at 270Mb/s and 125Mb/s
  • Cable equalizer features:
    • Automatic power down on loss of signal
    • Programmable carrier detect with squelch threshold adjustment
    • Programmable launch swing compensation for non-compliant source
    • Manual and automatic cable equalizer bypass
  • Trace driver features:
    • Integrated 100Ω, differential output termination
    • Extends output DC-coupling support with 1.2V to 2.5V output supply range
    • Trace driver data output pre-emphasis to compensate for up to 60” FR4 at 2.97Gb/s
    • Manual or automatic re-timer bypass
    • Manual or automatic mute or disable on LOS
  • CDR features:
    • Manual or automatic rate modes
    • Wide Loop bandwidth control
    • Re-timing at the following data rates: 125Mb/s, 270Mb/s, 1.485Gb/s, and 2.97Gb/s—this includes the f/1.001 rates

Applications

  • Cameras
  • Switchers
  • Distribution amplifiers
  • Routers

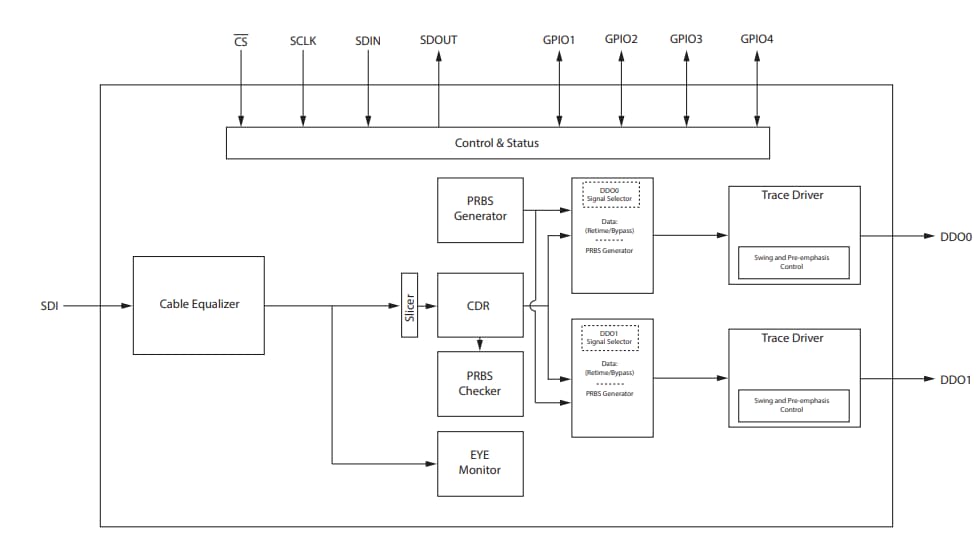
Functional Block Diagram

Block Diagram - Semtech GS3241 3G-SDI Re-timing Adaptive Cable Equalizer

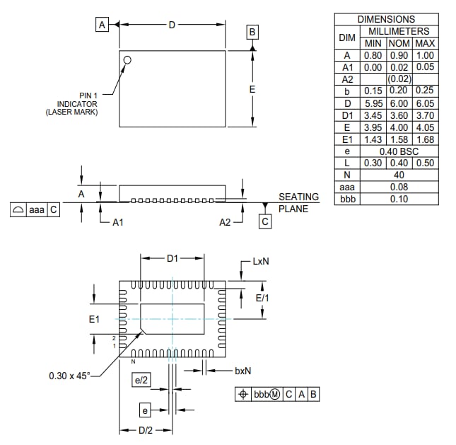
Dimensions

Mechanical Drawing - Semtech GS3241 3G-SDI Re-timing Adaptive Cable Equalizer
Published: 2019-10-10 | Updated: 2023-06-15