Semtech GS3590 Configurable Cable Equalizer/Cable Driver

Semtech GS3590 Configurable Adaptive Cable Equalizer/Cable Driver is a low-power and configurable multi-rate re-timing device. This device is designed to equalize or drive signals over 75Ω coaxial cable. The GS3590 equalizer achieves an extremely low output jitter even at extended cable/trace lengths. The integrated eye monitor provides a non-disruptive mission mode analysis and the 256 x 128 resolution scan matrix allows accurate signal analysis. The Semtech Configurable Adaptive Cable Equalizer/Cable Driver includes built-in macros that enable customizable cross-section analysis and quick horizontal and vertical eye-opening measurements.

The GS3590 adaptive cable driver is pin-compatible with the GS12090 bidirectional 12G-SDI re-timing adaptive cable equalizer/cable driver. This GS3590 driver finds its applications in cameras, switchers, distribution amplifiers, and routers.

Features

  • Single bidirectional 75Ω cable interface with on-chip termination
  • SMPTE ST 424, ST 292-1, and ST 259 compliant input/output
  • Multi-standard operation from 1Mb/s to 2.97Gb/s
  • Supports re-timing for DVB-ASI at 270Mb/s and MADI at 125Mb/s
  • 3D input signal eye monitor
  • PRBS generator and checker
  • Automatic cable equalizer
  • Typical equalized cable lengths of Belden 1694A cable:
    • 160m at 2.97Gb/s
    • 240m at 1.485Gb/s
    • 400m at 270Mb/s
  • Single 1.8V power supply for analog and digital core
  • 2.5V for cable driver output supply
  • 1.2V, 1.8V, or 2.5V for trace driver output supply
  • GSPI serial control and monitoring interface
  • Four configurable GPIO pins for control or status monitoring
  • -40ºC to 85ºC wide operating temperature range
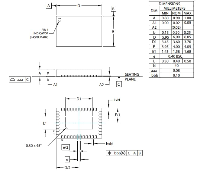
  • Small 6mm x 4mm 40-pin QFN
  • Pb-free/Halogen-free/RoHS, and WEEE compliant package
  • Pin compatible with the GS12090

Applications

  • Cameras
  • Switchers
  • Distribution amplifiers
  • Routers

Block Diagram

Block Diagram - Semtech GS3590 Configurable Cable Equalizer/Cable Driver

GS3590 Dimensions

Mechanical Drawing - Semtech GS3590 Configurable Cable Equalizer/Cable Driver
Published: 2019-10-14 | Updated: 2023-06-14