STMicroelectronics BALF-SPI-0xD3 Balun Transformers

STMicroelectronics BALF-SPI-0xD3 Balun Transformers ultra-miniature baluns that integrate matching network and harmonic filters. These baluns are conjugate matches for the SPIRIT1 transceiver with customized 50Ω matching impedance. The BALF-SPI-0xD3 baluns use IPD technology on a non-conductive glass substrate which optimizes RF performance.

Features

  • 50Ω nominal input/conjugate match to Spirit1
  • Low insertion loss
  • Low amplitude imbalance
  • Low phase imbalance
  • Small footprint
  • Very low profile (<670μm)
  • High RF performance
  • RF BOM and area reduction

Applications

  • BALF-SPI-01D3:
    • 868MHz and 915MHz impedance matched balun filter
    • Optimized for SPIRIT1 sub GHz RFIC
  • BALF-SPI-02D3:
    • 434MHz impedance matched balun filter
    • Optimized for ST chipset SPIRIT1

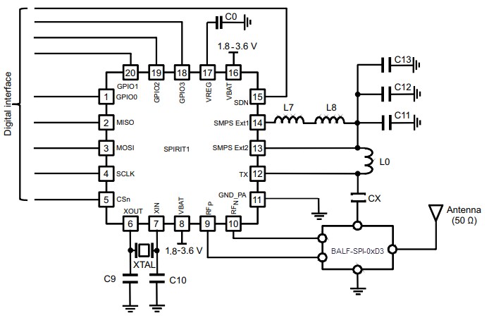
BALF-SPI-0xD3 Application Circuit

Application Circuit Diagram - STMicroelectronics BALF-SPI-0xD3 Balun Transformers
Published: 2014-02-19 | Updated: 2022-03-11