STMicroelectronics TDA7498 BTL Class-D Audio Amplifiers
STMicroelectronics TDA7498 BTL Class-D Audio Amplifiers comprise dual (TDA7498 / TDA7498L) and mono (TDA7498MV) devices with a single power supply. These STMicroelectronics devices are designed for home systems and active speaker applications. STMicroelectronics TDA7498 Class-D Audio Amplifiers come in a 36-pin PowerSSO package with an exposed pad (EPU) to facilitate mounting a separate heatsink. The TDA7498 and TDA7498MV feature 100W + 100W output power at THD=10% with RL=6Ω and VCC=36V and 80W + 80W output power at THD=10% with RL=8Ω and VCC=34V. The TDA7498L features 80W + 80W output power at THD=10% with RL=6Ω and VCC=32V and 70W + 70W output power at THD=10% with RL=8Ω and VCC=34V.Features
- 100-W + 100-W output power at THD = 10% with RL= 6Ω and VCC = 36V (TDA7498 / TDA7498MV)
- 80-W + 80-W output power at THD = 10% with RL = 8Ω and VCC = 34V (TDA7498 / TDA7498MV)
- 80-W + 80-W output power at THD = 10% with RL = 6Ω and VCC = 32V (TDA7498L)
- 70-W + 70-W output power at THD = 10% with RL = 8Ω and VCC = 34V (TDA7498L)
- Wide-range single-supply operation (14-39V)
- High efficiency (η= 90%)
- Four selectable, fixed gain settings of nominally 25.6dB, 31.6dB, 35.1dB and 37.6 dB
- Differential inputs minimize common-mode noise
- Standby and mute features
- Short-circuit protection
- Thermal overload protection
- Externally synchronizable
Applications
- Home Systems
- Active Speakers
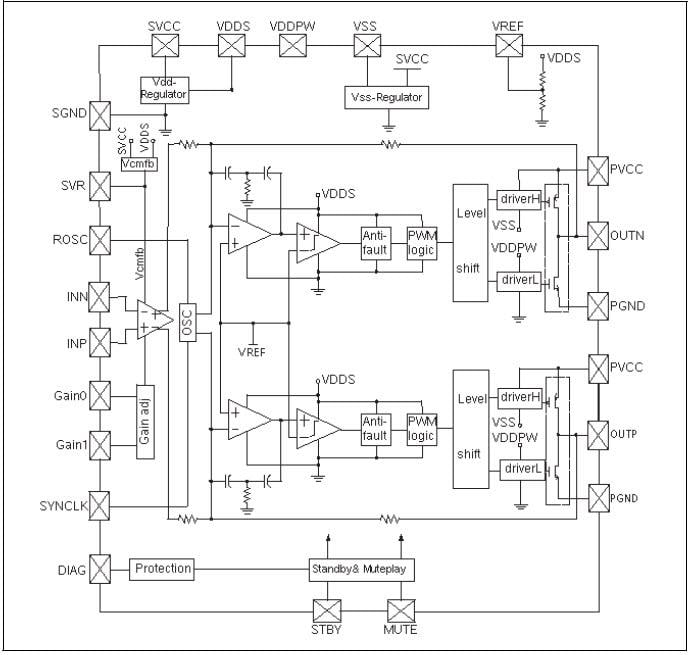
Block Diagram
Additional Resources
Published: 2011-12-08
| Updated: 2022-03-11
