EPCOS / TDK ADF32T Data & Signal Line Chokes

EPCOS / TDK ADF32T Data and Signal Line Chokes offer a rated voltage of 42VAC and 80VDC and are qualified to AEC-Q200 standards. These chokes feature ferrite I-core construction with ferrite shielding and enamel copper wire winding welded to terminals. ADF32T chokes are suitable for lead-free soldering, as referenced in JEDEC J-STD 020E, and have a temperature range of up to +125°C. EPCOS / TDK ADF32T Data and Signal Line Chokes are suitable for automotive electronics and high-speed bus interfaces.

Features

  • AEC-Q200 qualified
  • Suitable for lead-free reflow soldering
  • One-sided tinned terminals

Applications

  • Automotive electronics
  • High-speed bus interfaces

Specifications

  • Construction
    • Ferrite I-core, ferrite shielding
    • Enamel copper wire winding
    • Winding welded to terminals
  • Temperature range up to +125°C
  • 42VAC and 80VDC rated voltage
  • 4.7µH inductance
  • RoHS compatible

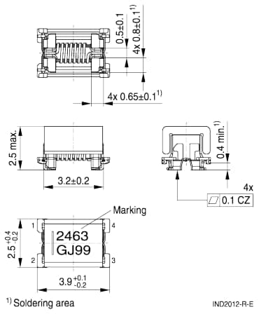
Dimensions (mm)

EPCOS / TDK ADF32T Data & Signal Line Chokes
Published: 2024-04-30 | Updated: 2024-05-01