EPCOS / TDK HVC27-500C-24P High-Voltage Contactor

EPCOS / TDK HVC27-500C-24P High-Voltage Contactor is gas-filled for high-voltage DC switching and offers a -40°C to +85°C operating temperature range. This contactor features a single 24V coil, main terminals without polarity, a 1000VDC rated voltage, and a 500A rated current. EPCOS / TDK HVC27-500C-24P High-Voltage Contactor is suitable for traction battery systems, electrical energy storage systems (ESS), and DC fast-charging systems.

Features

  • Single coil
  • Coil termination with varistor
  • Main terminals without polarity (bidirectional)
  • RoHS compatible

Applications

  • Traction battery systems
  • ESS
  • DC fast-charging stations

Specifications

  • 1A contact arrangement
  • 3.2mm internal contact gap
  • 1000VDC maximum operating voltage
  • 0.125mΩ typical contact resistance at 100A DC 
  • ≥1GΩ insulation resistance
  • -40°C to +85°C operating temperature range

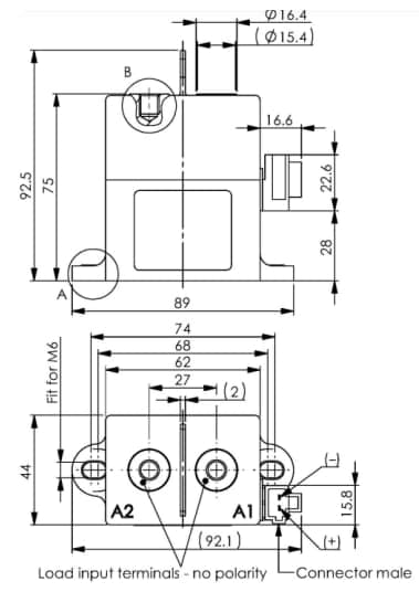
Dimensions

Mechanical Drawing - EPCOS / TDK HVC27-500C-24P High-Voltage Contactor
Published: 2025-02-05 | Updated: 2025-12-16