TE Connectivity KEB & KES 3-Phase General Purpose EMI Filters
TE Connectivity's (TE) KEB and KES 3-Phase General Purpose EMI Filters are single-stage devices in 3-wire Delta (KEB) and 4-wire WYE (KES) versions. TE KEB and KES 3-Phase General Purpose EMI Filters feature spade, stud, or shockproof terminals with a 1A to 150A current range and 440VAC / 520VAC maximum continuous operating range. Applications include industrial automation, HVAC, rectifiers, and computer numerical control (CNC) machines.Features
- Single state, three-wire Delta (KEB) or 4-wire WYE (KES)
- Spade, stud, or shockproof terminals
- General-purpose (three-phase with neutral)
- Standard attenuation performance
- Chassis mounting
- UL-recognized and CSA-certified
Applications
- Industrial automation
- HVAC
- Rectifiers (KEB)
- CNC machines (KES)
Specifications
- 440VAC or 520VAC maximum continuous operating voltage
- 1A to 150A at +40°C current rating
- 50Hz or 60Hz operating frequency
- -25°C to +85°C operating temperature range
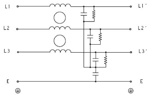
KEB Circuit Diagram
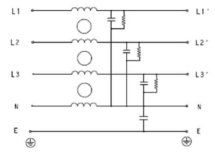
KES Circuit Diagram
Published: 2020-09-16
| Updated: 2024-10-09
