Texas Instruments AFE7903 2T2R RF Sampling Transceiver

Texas Instruments AFE7903 2T2R RF Sampling Transceiver is a high-performance, wide-bandwidth multi-channel transceiver integrating two RF sampling receiver chains and two RF sampling transmitter chains. With operation up to 7.4GHz, this device enables direct RF sampling in the HF, VHF, UHF, L, S, and C-band frequency ranges. This feature is done without the need for additional frequency conversion stages. This improvement in flexibility and density enables high-channel-count, multi-mission systems.

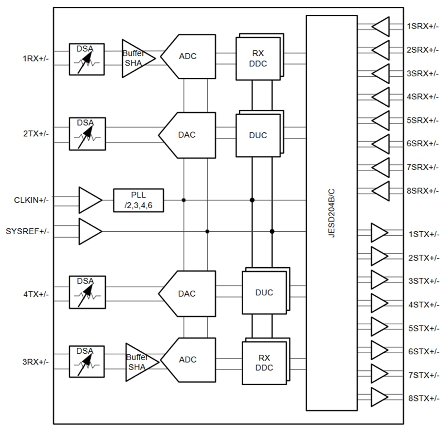
The TX signal paths support digital up and interpolation conversion options that deliver up to 400MHz of signal bandwidth. The output of the DUCs drives a 12GSPS DAC (digital-to-analog converter) with a mixed-mode output option to enhance the 2nd Nyquist operation. The DAC output of the Texas Instruments AFE7901 includes a variable gain amplifier (TX DSA) with a 40dB range and 1dB analog and 0.125dB digital steps.

Each receiver chain includes a 25dB range DSA (Digital Step Attenuator), followed by a 3GSPS ADC (analog-to-digital converter). Each receiver channel has an analog peak power detector and various digital power detectors to assist an external or internal autonomous automatic gain controller, and RF overload detectors for device reliability protection. Flexible decimation options provide optimization of data bandwidth up to 400MHz for two RX.

The device contains a SYSREF timing detector to allow optimization of the SYSREF input timing relative to the device clock.

Features

  • Dual RF sampling 12GSPS transmit DACs
  • Dual RF sampling 3GSPS receive ADCs
  • Maximum signal bandwidth per TX or RX of 400MHz
  • 5MHz to 7.4GHz RF frequency range
  • Digital step attenuators (DSA)
    • TX: 40dB range, 0.125dB steps
    • RX: 25dB range, 0.5dB steps
  • Single or dual-band DUC/DDCs for TX and RX
  • 16x NCOs per TX/RX
  • Optional internal PLL or VCO for DAC/ADC clocks or external clock at DAC or ADC sample rate
  • Sysref alignment detector
  • SerDes data interface
    • JESD204B and JESD204C compatible
    • Eight SerDes transceivers up to 29.5Gbps
    • Subclass 1 multi-device synchronization
  • 17mm × 17mm FCBGA, 0.8mm pitch package

Applications

  • Radar
  • Seeker front end
  • Defense radio
  • Tactical communications infrastructure
  • Wireless communications test

Functional Block Diagram

Block Diagram - Texas Instruments AFE7903 2T2R RF Sampling Transceiver
Published: 2024-06-20 | Updated: 2024-06-26