Texas Instruments BQ79758B-Q1 Battery Monitor
Texas Instruments BQ79758B-Q1 Battery Monitor is an automotive, 18-S ASIL-D compliant, precise battery monitor and balancer with current sensing capabilities. This monitor offers various channel options in the same package type, providing pin-to-pin compatibility. The BQ79758B-Q1 monitor device features a state-of-the-art ADC architecture/measurement system meeting stringent automotive standards and safety requirements. This device is designed for centralized or distributed architectures within xEV powertrains. The BQ79758B-Q1 battery monitor operates at a -40°C to 125°C ambient temperature range. The BQ79758B-Q1 devices are AEC-Q100 qualified for automotive applications. This battery monitor is ideal for Battery Management System (BMS) in hybrid and electric powertrain systems and energy storage battery packs with BMS.
Features
- AEC-Q100 qualified with the following results:
- Device temperature grade 1:
- -40°C to 125°C ambient operating temperature range
- Device temperature grade 1:
- Functional safety-compliant:
- Documentation to aid ISO 26262 system design
- Systematic capability up to ASIL D
- Hardware capability up to ASIL D
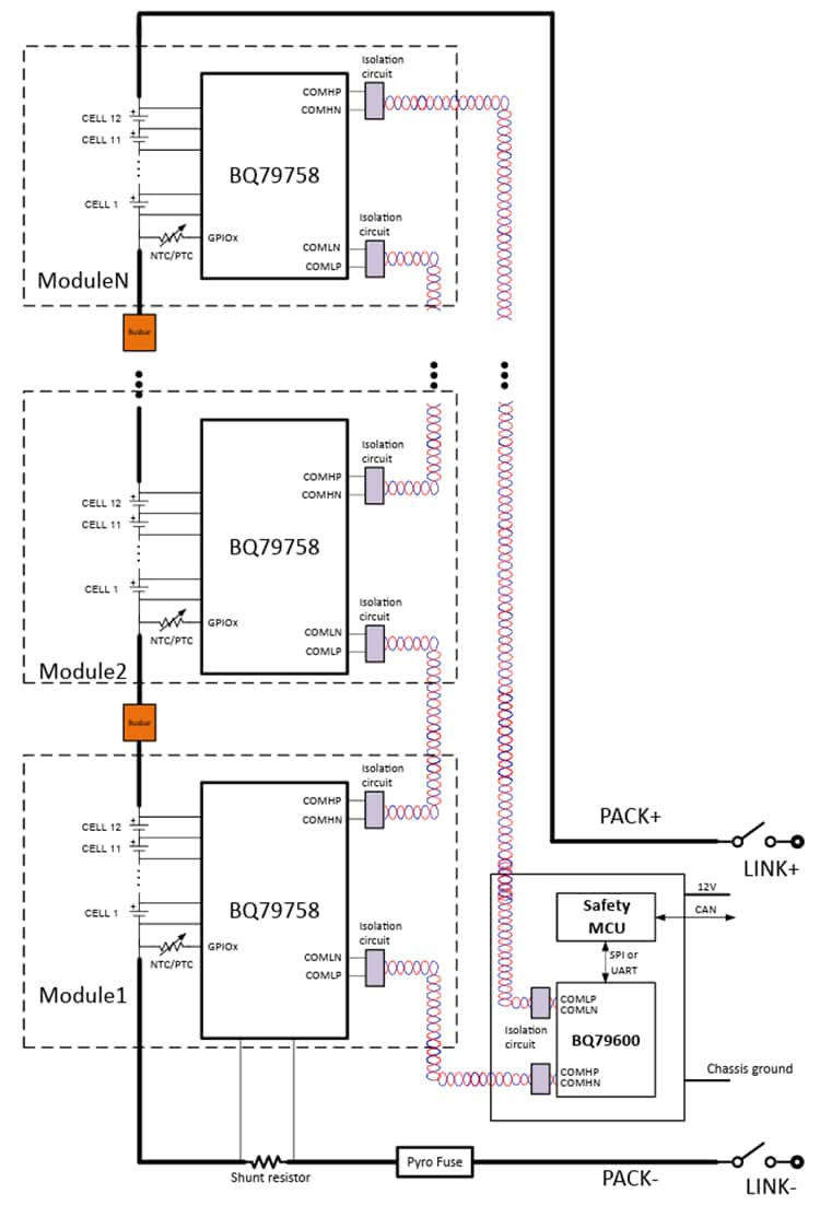
- Measure 9 to 18 batteries in series per device, stackable up to 64 devices
- Dedicated ADC with typical ±1mV accuracy
- Two independent current sense ADCs with ±0.1% gain error drift and input range +/-275mV
- Programmable over current detection comparators
- Support limp home mode with full redundancy
- Integrated post-ADC configurable digital low-pass filters
- Supports busbar without affecting measurement accuracy
- 10 GPIOs for temperature sensor/analog/digital/I2C controller/SPI controller
- Internal cell balancing:
- Balancing at 300mA
- User controlled PWM adjustment cell balancing current
- Built-in balancing thermal management with automatic pause and resume control
- Robust daisy chain communication and support ring architecture
- Hardware reset by host simulates POR-like event without battery removal
- On chip memory for one time custom programming
- <6µA low power mode current
- Compatible with BQ79600-Q1 with SPI/UART interface
Applications
- Battery Management System (BMS) in hybrid and electric powertrain systems
- Energy storage battery packs with BMS
System Design
