Texas Instruments CD74AC138 3-to-8 Line Decoders/Demultiplexers

Texas Instruments CD74AC138 3-to-8 Line Decoders/Demultiplexers are designed for high-performance memory-decoding and data-routing applications requiring short propagation delay times. In high-performance memory systems, the Texas Instruments CD74AC138 decoders can minimize the effects of system decoding.

Features

  • AC types feature 1.5V to 5.5V operation and balanced noise immunity at 30% of the supply voltage
  • Speed of bipolar F, AS, and S, with significantly reduced power consumption
  • Designed specifically for high-speed memory decoders and data-transmission systems
  • Incorporate three enable inputs to simplify cascading and/or data reception
  • Balanced propagation delays
  • ±24mA output drive current
    • Fanout to 15 F devices
  • SCR latch-up resistant CMOS process and circuit design

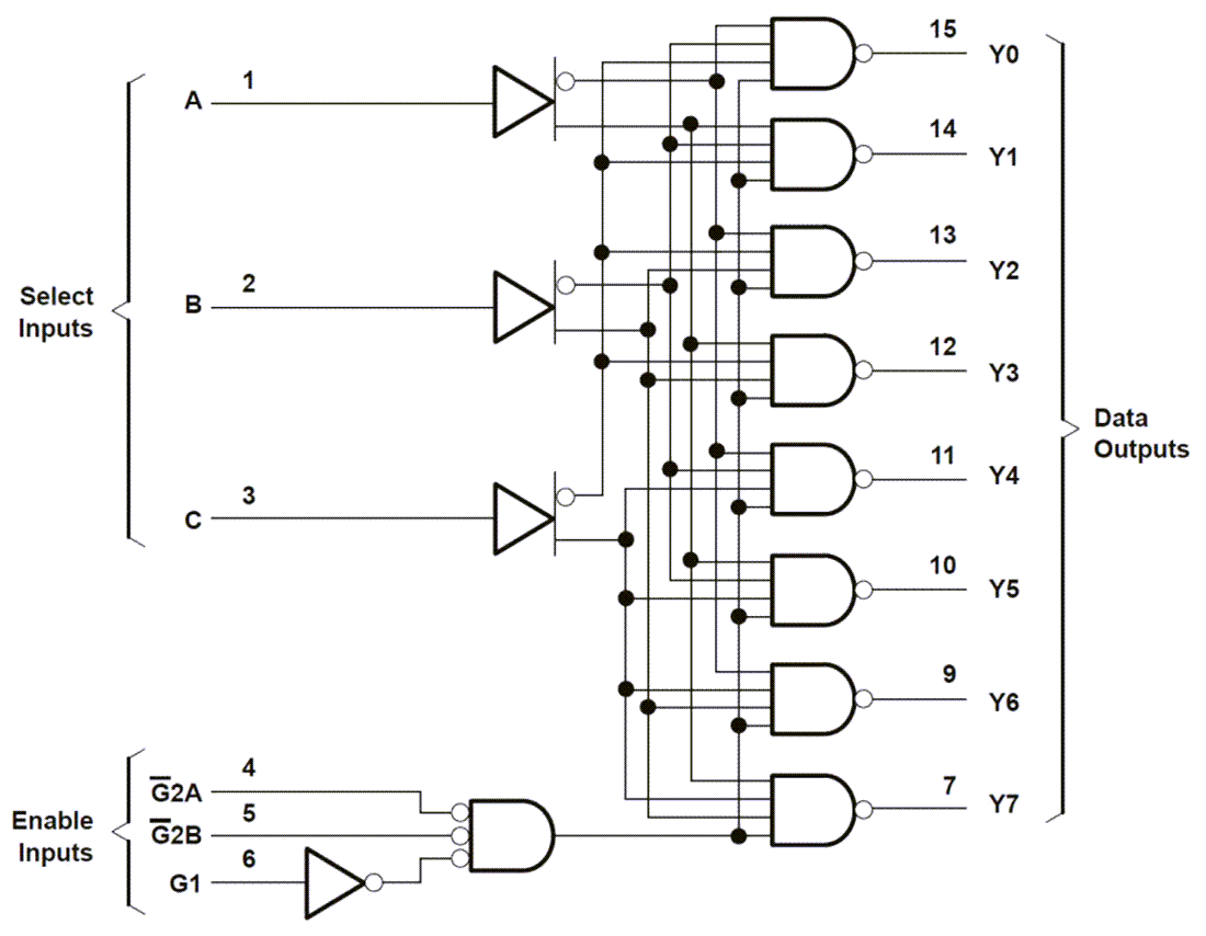
Functional Block Diagram

Block Diagram - Texas Instruments CD74AC138 3-to-8 Line Decoders/Demultiplexers
Published: 2024-08-23 | Updated: 2024-08-29