Texas Instruments DRV2901 PWM-Input Piezo Transducer Driver

Texas Instruments DRV2901 PWM-Input Piezo Transducer Driver is a high-performance lens cleaner transducer driver. This system only requires a simple passive LC demodulation filter to deliver high-quality, high-efficiency amplification with proven EMI compliance. This device requires two power supplies, at 12V for GVDD and VDD and 12V to 48V for PVDD. The DRV2901 does not require power-up sequencing due to an internal power-on reset.

The Texas Instruments DRV2901 has an innovative protection system integrated on-chip, safeguarding the device against various fault conditions that could damage the system. These safeguards are short-circuit protection, overcurrent protection, undervoltage protection, and overtemperature protection. The DRV2901 has a proprietary current-limiting circuit that reduces the possibility of device shutdown during high-level transients.

Features

  • Wide 12V to 48V supply voltage operation
  • Supports up to 50W peak power
  • Integrated self-protection circuits, including
    • Short circuit
    • Overcurrent
    • Undervoltage
    • Overtemperature
  • High-efficiency power stage with 90mΩ output MOSFETs
  • Power-on reset for protection on power up without any power-supply sequencing
  • 44-pin HTSSOP package (DDV)
  • -40°C to +125°C operating temperature range

Applications

  • Thermal imaging cameras
  • Traffic monitoring cameras
  • Drone vision
  • Machine vision cameras
  • Wireless security cameras

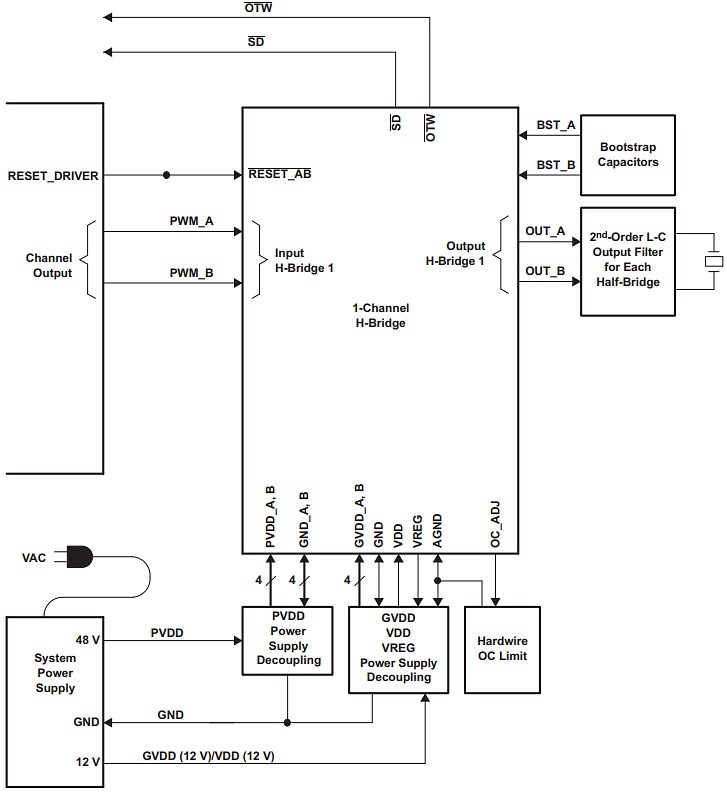
Functional Block Diagram

Block Diagram - Texas Instruments DRV2901 PWM-Input Piezo Transducer Driver
Published: 2023-01-19 | Updated: 2024-07-11