Texas Instruments ISO7241C Digital Isolator

Texas Instruments ISO7241C Quad Channel, 3/1, 25Mbps, Digital Isolator is part of a digital isolator family with multiple channel configurations and output enable functions. This TI device has logic input and output buffers separated by TI's silicon dioxide (SiO2) isolation barrier. These devices are used with isolated power supplies to block high voltage, isolate grounds, and prevent noise currents from entering the local ground and interfering with or damaging sensitive circuitry. ISO7241 has three channels in the same direction and one channel in opposition. The C option devices have TTL input thresholds and a noise filter at the input that prevents transient pulses from being passed to the output of the device. The M option devices have CMOS VCC/2 input thresholds and do not have the input noise filter or the additional propagation delay.

Features

  • Selectable failsafe output
  • 25 and 150Mbps signaling rate options
    • Low channel-to-channel output skew; 1ns max.
    • Low Pulse-Width Distortion (PWD); 2ns max.
    • Low jitter content; 1ns typ. at 150Mbps
  • 4000Vpeak VIOTM, 560Vpeak, VIORM per IEC 60747-5-2 (VDE 0884, Rev 2)
  • Typical 25-year life at rated working voltage
  • UL 1577, IEC 61010-1, IEC 60950-1, and CSA approved
  • 4kV ESD protection
  • Operates with 2.8V (ISO7241C), 3.3V or 5V supplies
  • High electromagnetic immunity
  • -40°C to 125°C operating range

Applications

  • Industrial Fieldbus
  • Computer peripheral interface
  • Servo control interface
  • Data acquisition

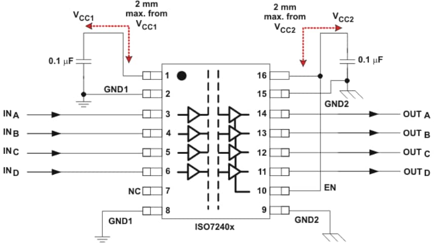
Functional Diagram

Block Diagram - Texas Instruments ISO7241C Digital Isolator
Published: 2019-10-07 | Updated: 2023-11-22