Texas Instruments LMQ62440-Q1 Synchronous Step-Down Converter
Texas Instruments LMQ62440-Q1 Low EMI Synchronous Step-Down Converter is a high-performance, DC-DC synchronous buck converter with integrated bypass capacitors. With integrated high-side and low-side MOSFETs, up to 4A of output current is delivered over a wide input range of 3.0V to 36V; 42V tolerance supports load dump for durations of 400ms. The device implements soft recovery from dropout, eliminating overshoot on the output. The device is specifically designed for minimal EMI. The device incorporates pseudo-random spread spectrum, integrated bypass capacitors, adjustable SW node rise time, low-EMI VQFN-HR package featuring low switch node ringing, and optimized pinout for ease of use. The switching frequency can be synchronized between 200kHz and 2.2MHz to avoid noise-sensitive frequency bands. Also, the frequency can be selected for improved efficiency at a low operating frequency or smaller solution size at a high operating frequency.Auto-mode enables frequency foldback when operating at light loads, allowing an unloaded current consumption of only 7µA (typical) and high light-load efficiency. Seamless transition between PWM and PFM modes, along with very low MOSFET ON resistances and an external bias input, ensures exceptional efficiency across the entire load range. The Texas Instruments LMQ62440-Q1 is available in a 14-pin VQFN-HR package with wettable flanks. Electrical characteristics are specified over a junction temperature range of –40°C to +150°C.
Features
- AEC-Q100 qualified for automotive applications
- –40°C to +150°C, TJ temperature grade 1
- Functional Safety-Capable
- Documentation available to aid functional safety system design
- Optimized for ultra-low EMI requirements
- Meets CISPR25 class 5 standard
- Hotrod™ package minimizes switch node ringing
- Internal bypass capacitors reduce EMI
- Parallel input path minimizes parasitic inductance
- Spread spectrum reduces peak emissions
- Adjustable switch node rise time
- Designed for rugged Automotive applications
- Supports 42V load dump
- 0.4V dropout with 4A load (typical)
- High-efficiency power conversion at all loads
- 7µA no-load current at 13.5 VIN, 3.3 VOUT
- 90% PFM efficiency at 1mA, 13.5 VIN, 5 VOUT
- Low MOSFET ON resistance
- RDS_ON_HS = 41mΩ (typical)
- RDS_ON_LS = 21mΩ (typical)
- External bias option for improved efficiency
Applications
- Automotive infotainment and cluster: head unit, media hub, USB charge, display
- Automotive ADAS and body electronics
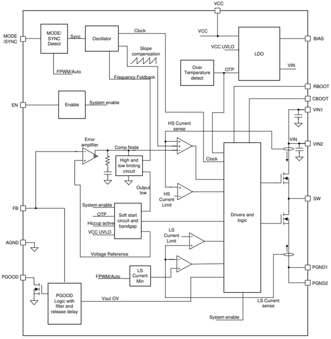
Functional Block Diagram
Published: 2021-01-19
| Updated: 2022-03-11
