Texas Instruments LMR516xx/LMR516xx-Q1 Power Converters

Texas Instruments LMR516xx/LMR516xx-Q1 SIMPLE SWITCHER® Power Converters are wide-VIN, easy-to-use synchronous buck converters capable of driving up to 0.6A and 1A load current. With a wide input range of 4V to 65V, the device is designed for various industrial applications for power conditioning from an unregulated source. The LMR516xx/LMR516xx-Q1 operates at 400kHz and 1.1MHz switching frequency to support relatively small inductors for an optimized design size. The LMR516xx/LMR516xx-Q1 has a PFM version to realize high efficiency at light load and an FPWM version to achieve constant frequency and small output voltage ripple over the full load range. Soft-start and compensation circuits are implemented internally, which allow the device to be used with minimal external components.

The Texas Instruments LMR516xx/LMR516xx-Q1 has built-in protection features, such as cycle-by-cycle current limit, hiccup mode short-circuit protection, and thermal shutdown in case of excessive power dissipation. The LMR516xx-Q1 devices are AEC-Q100 qualified for automotive applications.

Features

  • Functional Safety-Capable
    • Documentation available to aid functional safety system design
  • Configured for rugged industrial applications
    • 4V to 65V input voltage range
    • Input transient protection up to 70V
    • 0.6A/1A continuous output current
    • 80ns minimum switching on time
    • Fixed 400kHz and 1.1MHz switching frequency
    • –40°C to 150°C junction temperature range
    • 98% maximum duty cycle
    • Monotonic start-up with pre-biased output
    • Short-circuit protection with hiccup mode
    • Precision enable
    • ±1.5% tolerance voltage reference
  • Small design size and ease of use
    • Integrated synchronous rectification
    • Internal compensation for ease of use
    • SOT-23 package
  • Various options in pin-to-pin compatible package
    • PFM and forced PWM (FPWM) options
  • Pin-to-pin compatible with the LMR16006, LV2862, LMR50410, TPS560430, LMR54406, and LMR54410

Applications

  • Major appliances
  • PLC, DCS, and PAC
  • Smart meters
  • Power delivery

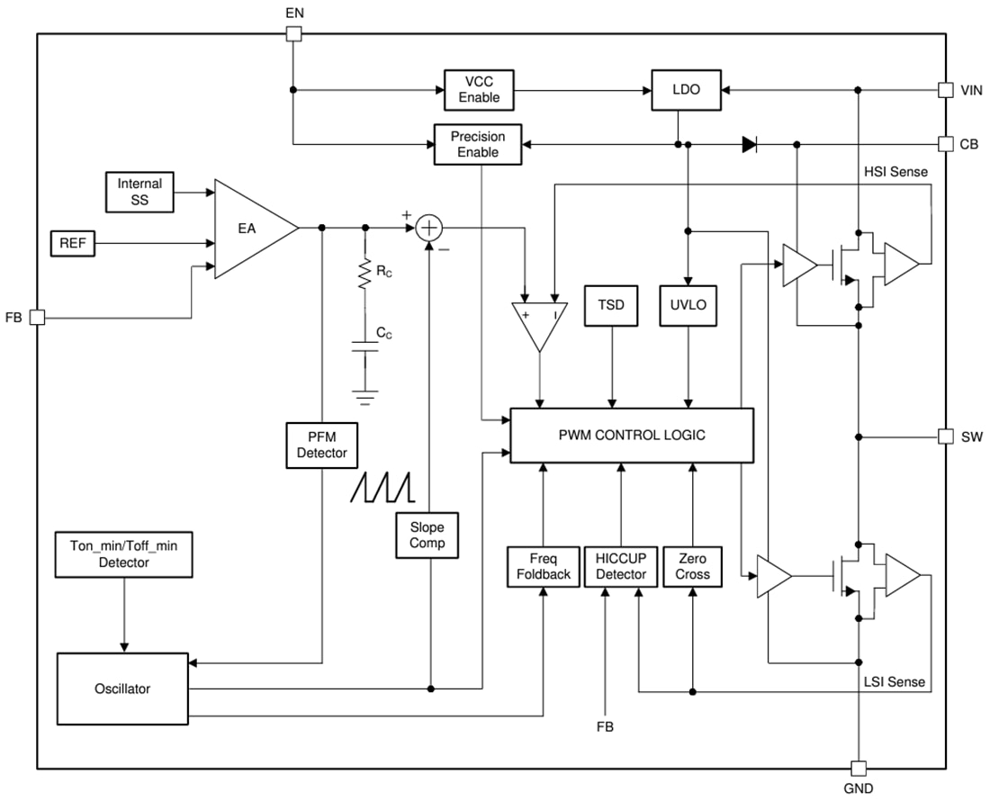
Functional Block Diagram

Block Diagram - Texas Instruments LMR516xx/LMR516xx-Q1 Power Converters
Published: 2024-03-05 | Updated: 2025-08-01