Texas Instruments LMR60440 Synchronous Buck Converter
Texas Instruments LMR60440 Synchronous Buck Converter is a highly efficient 3V to 36V, 4A, ultra-low IQ converter that enables high power density and low EMI. This offers a 1V to 20V output voltage range, including a resistor divider between the output voltage node, feedback, and ground. The LMR60440 converter features a power-good output for power sequencing and a MODE/SYNC pin to select between modes of operation. The current-mode control architecture with 30ns minimum on-time allows high-conversion ratios at high frequencies, easy loop compensation, fast transient response, and excellent load and line regulation. The LMR60440 offers variants with a spread spectrum in an ultra-compact, 2.5mm x 2mm, HotRod QFN-9 package. Typical applications include factory automation and control, appliances, and building automation.The LMR60440 converter consumes 5µA quiescent current to ensure high efficiency at all loads. The Forced Pulse Width Modulation (FPWM) mode generates constant switching frequency across the load, while auto mode allows seamless transitions between PWM and PFM switching. The LMR60440 devices have electrical characteristics specified up to a maximum junction temperature of 150°C.
Features
- Functional safety-capable:
- Documentation available to aid functional safety system design
- 3V to 36V (42V absolute maximum) wide operating input voltage
- Ultra-low quiescent current:
- 0.65μA shutdown current
- 5μA no load standby current
- Pin programmable output voltage options available in fixed 3.3V/ADJ and 5V/ADJ:
- 1V to 20V adjustable output voltage range
- Optimized for low Electromagnetic Interference (EMI) requirements:
- Low inductance HotRod™ QFN package
- Spread spectrum options available
- 30ns typical low minimum tON
- 200kHz to 2.2MHz programmable switching frequency
- FPWM, PFM, or external frequency synchronization is available
- Designed for scalable power supplies
- Pin compatible with LMR60406, LMR60410, LMR60420, and LMR60430
- Power-Good output for power sequencing
Applications
- Factory automation and control
- Building automation
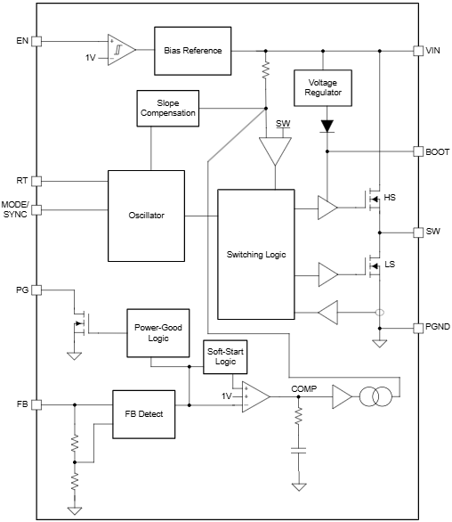
Functional Block Diagram
Published: 2025-01-23
| Updated: 2025-10-09
