Texas Instruments OPAx180/OPAx180-Q1 Zero-Drift Op Amps

Texas Instruments OPAx180/OPAx180-Q1 Zero-Drift Operational Amplifier uses zero-drift techniques to simultaneously provide low offset voltage (75μV) and near zero-drift (0.1μV/°C) over time and temperature. This miniature, high-precision, 525μA (max.) low quiescent current amplifier offers high input impedance, very low 1/f noise, and rail-to-rail output swing within 18mV of the rails. The input common-mode range includes the negative rail. Specified for operation from -40°C to 105°C, the OPAx180/OPAx180-Q1 Zero-Drift Operational Amplifier is well-suited for bridge amplifiers, strain gauges, test equipment, transducer applications, temperature measurement, electronic scales, medical instrumentation, resister thermal detectors, and precision active filters. The Texas Instruments OPAx180-Q1 devices are AEC-Q100 qualified for automotive applications.

Features

  • 75µV (max) Low Offset Voltage
  • 0.1µV/°C Zero-Drift
  • 10nV/√Hz Low Noise
  • Low 1 / f Noise
  • DC Precision
    • 126dB PSRR
    • 114dB CMRR
  • 120dB Open-Loop Gain (AOL)
  • 525µA (max) Quiescent Current
  • ±2V to ±18V Wide Supply Range
  • Rail-to-Rail Output (Input Includes Negative Rail)
  • 250pA (typ) Low Bias Current
  • RFI Filtered Inputs
  • MicroSIZE Packages

Applications

  • Bridge Amplifiers
  • Strain Gauges
  • Test Equipment
  • Transducer Applications
  • Temperature Measurement
  • Electronic Scales
  • Medical Instrumentation
  • Resister Thermal Detectors
  • Precision Active Filters

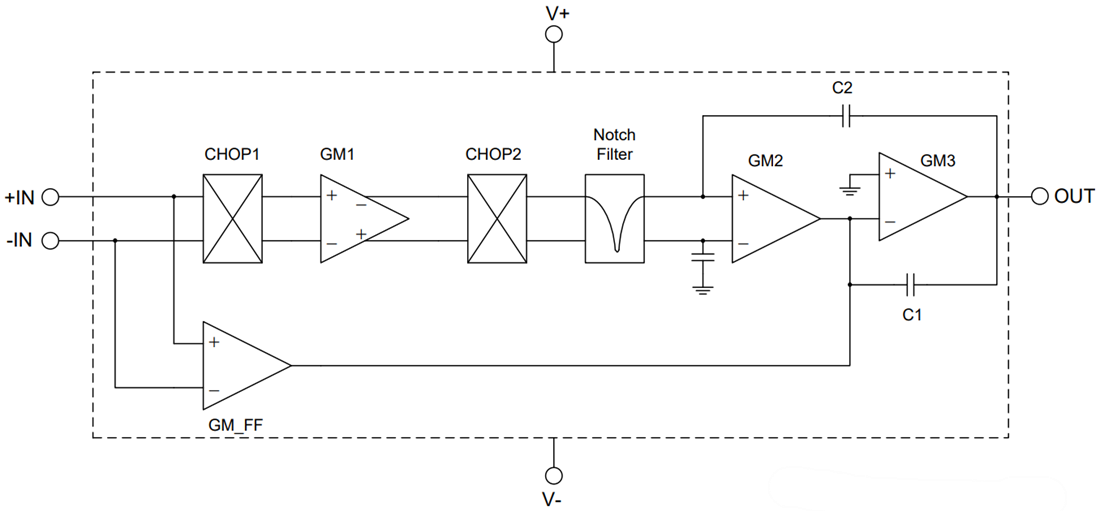
Functional Block Diagram

Block Diagram - Texas Instruments OPAx180/OPAx180-Q1 Zero-Drift Op Amps
Published: 2014-08-28 | Updated: 2022-03-11