Texas Instruments OPAx333/OPAx333-Q1 CMOS Operational Amplifiers
Texas Instruments OPAx333/OPAx333-Q1 CMOS Operational Amplifiers offer high-precision with a low quiescent current in a microSize package. The OPAx333/OPAx333-Q1 Amps have a proprietary auto-calibration technique that simultaneously allows very low offset voltage (10µV, maximum) and near-zero drift over time and temperature. Additionally, the device delivers high-impedance inputs with a common-mode range of 100mV beyond the rails and rail-to-rail output that swings within 50mV of the rails. These devices are optimized for low-voltage, single-supply operation with single or dual supplies as low as 1.8V (±0.9V) and up to 5.5V (±2.75V) as options. The OPAx333/OPAx333-Q1 (dual version) is available in the 8-pin VSON, SOIC, and VSSOP packages and specified for operation from –40°C to 125°C. The OPAx333-EP devices have gold bond wires, a temperature range of –55 to +105°C, and an SnPb lead finish. The Texas Instruments OPAx333-Q1 devices are AEC-Q100 qualified for automotive applications.Features
- 10µV (maximum) low offset voltage
- 0.05µV/°C (maximum) zero drift
- 1.1µVPP 0.01Hz to 10Hz noise
- 17µA quiescent current
- Single-supply operation
- 1.8V to 5.5V supply voltage
- Rail-to-rail input/output
- SC70 and SOT23 microSize packages
Applications
- Transducers
- Temperature measurements
- Electronic scales
- Medical instrumentation
- Battery-powered instruments
- Handheld test equipment
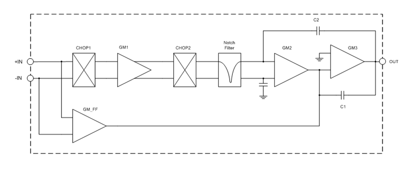
Block Diagram
Published: 2018-05-16
| Updated: 2025-02-05
