Texas Instruments SN74HCS164/SN74HCS164-Q1 8-Bit Shift Register

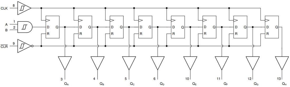
Texas Instruments SN74HCS164/SN74HCS164-Q1 8-Bit Serial-In/Parallel-Out Shift Register contains an 8-bit shift register with AND-gated serial inputs and an asynchronous clear (CLR) input. The gated serial (A and B) inputs permit complete control over incoming data; a low at either input inhibits entry of the new data and resets the first flip-flop to the low level at the next clock (CLK) pulse. A high-level input enables the other input, which determines the first flip-flop's state. Data at the serial inputs can be changed while CLK is high or low, provided the minimum set-up time requirements are met. The clocking on the SN74HCS164/SN74HCS164-Q1 occurs on the low-to-high-level transition of CLK. All inputs include Schmitt triggers, eliminating any erroneous data outputs due to slow-edged or noisy input signals. The Texas Instruments SN74HCS164-Q1 devices are AEC-Q100 qualified for automotive applications.

Features

  • 2V to 6V wide operating voltage range
  • Schmitt-trigger inputs allow for slow or noisy input signals
  • ±7.8mA output drive at 6V
  • –40°C to +125°C, TA extended ambient temperature range
  • Low power consumption
    • Typical ICC of 100nA
    • Typical input leakage current of ±100nA

Applications

  • Output expansion
  • LED matrix control
  • 7-segment display control
  • 8-bit data storage

Functional Block Diagram

Block Diagram - Texas Instruments SN74HCS164/SN74HCS164-Q1 8-Bit Shift Register
Published: 2020-07-14 | Updated: 2024-07-02