Texas Instruments SN74HCS251/SN74HCS251-Q1 8-to-1 Multiplexers

Texas Instruments SN74HCS251/SN74HCS251-Q1 8-to-1 Multiplexers with 3-State Outputs and Schmitt Trigger Inputs provide the full binary decoding to select 1-of-8 data sources. The TI SN74HCS251/SN74HCS251-Q1 Multiplexer features strobe-controlled complementary 3-state outputs.

The SN74HCS251/SN74HCS251-Q1 8-to-1 Multiplexers feature a device temperature of -40°C to +125°C, low power consumption, and a 2V to 6V wide operating voltage range. The Texas Instruments SN74HCS251/SN74HCS251-Q1 8-to-1 Multiplexers are available in the 5.00mm x 4.40mm TSSOP-16 and 9.90mm x 3.90mm SOIC-16 package. The SN74HCS251-Q1 devices are AEC-Q100 qualified for automotive applications.

Features

  • 2V to 6V wide operating voltage range 
  • Schmitt-trigger inputs allow for slow or noisy input signals
  • ±7.8mA output drive at 6V
  • –40°C to +125°C, TA extended ambient temperature range 
  • Low power consumption
    • Typical ICC of 100nA
    • Typical input leakage current of ±100nA

Applications

  • Data selection
  • Multiplexing

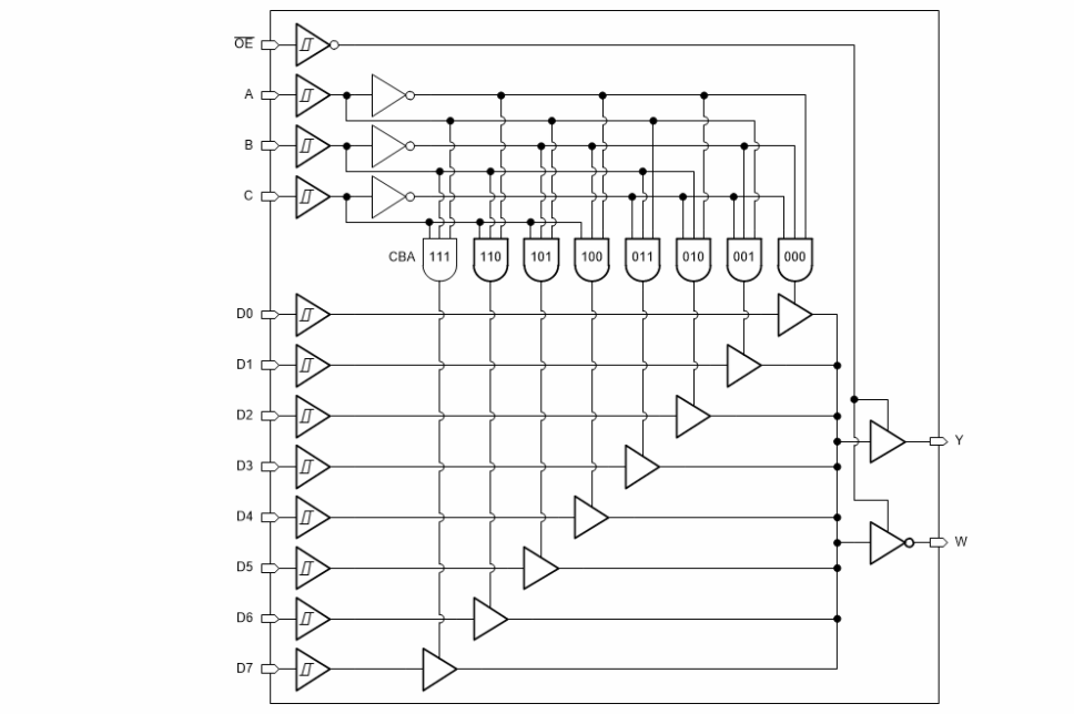
Block Diagram

Block Diagram - Texas Instruments SN74HCS251/SN74HCS251-Q1 8-to-1 Multiplexers

Benefits of Schmitt-trigger inputs chart

Chart - Texas Instruments SN74HCS251/SN74HCS251-Q1 8-to-1 Multiplexers
Published: 2020-09-16 | Updated: 2024-08-21