Texas Instruments SN74LV373A D-Type Latches
Texas Instruments SN74LV373A D-Type Latches are octal transparent latches designed for 2VCC to 5.5VCC voltage range operation. These 2-state output latches support mixed-mode voltage operation on all ports. The SN74LV373A D-type latches feature a maximum tpd of 8.5ns at 5V. These latches are used in applications like printers, motor controls, network switches, server motherboards, and wireless infrastructures.Features
- VCC operation of 2V to 5.5V
- Support mixed-mode voltage operation on all ports
- Typical VOLP (output ground bounce):
- <0.8V at VCC = 3.3V, TA = 25°C
- Typical VOHV (output VOH undershoot):
- >2.3V at VCC = 3.3V, TA = 25°C
- Maximum tpd of 8.5ns at 5V
- Ioff supports partial-power-down mode operation
- Latch-up performance exceeds 250mA per JESD 17
Applications
- Printers
- Motor controls
- Network switches
- Server motherboards
- Wireless infrastructures
Functional Block Diagram
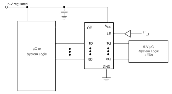
Typical Application Schematic Diagram
Published: 2024-12-24
| Updated: 2025-01-03
