Texas Instruments TPD1E01B04 / TPD1E01B04-Q1 ESD Protection Diode

Texas Instruments TPD1E01B04 / TPD1E01B04-Q1 ESD Protection Diode is a bidirectional TVS ESD protection diode array for USB Type-C™ and Thunderbolt 3 circuit protection. The TPD1E01B04 / TPD1E01B04-Q1 is rated to dissipate ESD strikes at the maximum level specified in the IEC 61000-4-2 international standard (Level 4). The Texas Instruments TPD1E01B04 / TPD1E01B04-Q1 features a 0.18pF (typical) IO capacitance making it ideal for protecting high-speed interfaces up to 20Gbps such as USB 3.1 Gen2 and Thunderbolt 3. The low dynamic resistance and low clamping voltage ensure system-level protection against transient events. The TPD1E01B04-Q1 devices are AEC-Q100 qualified for automotive applications.

Features

  • IEC 61000-4-2 Level 4 ESD protection
    • ±15kV contact discharge
    • ±17kV air gap discharge
  • IEC 61000-4-4 EFT protection
    • 80A (5/50ns)
  • IEC 61000-4-5 surge protection
    • 2.5A (8/20µs)
  • IO capacitance
    • 0.18pF (typ.)
    • 0.2pF (max.)
  • 6.4V (typ.) DC breakdown voltage: 
  • 10nA (max.) ultra-low leakage current 
  • 15V at 16A TLP low ESD clamping voltage
  • 26.9GHz (–3dB Bandwidth) low insertion loss 
  • Supports high-speed interfaces up to 20Gbps
  • –40°C to +125°C industrial temperature range 
  • Offered in the industry standard 0201 (DPL) package and 0402 (DPY) package

Applications

  • Interfaces
    • USB Type-C
    • Thunderbolt 3
    • USB 3.1 Gen 2
    • HDMI 2.0/1.4
    • USB 3.0
    • DisplayPort 1.3
    • PCI Express 3
  • End Equipment
    • Laptops and Desktops
    • Mobile and Tablets
    • Set-Top Boxes
    • TV and Monitors
    • USB Dongles
    • Docking Stations

Typical Application

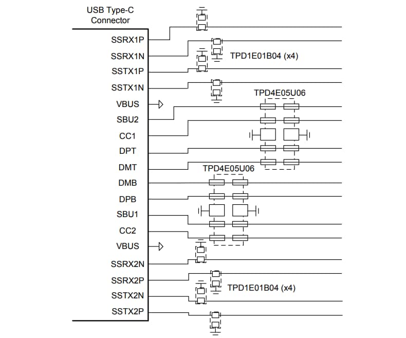
Application Circuit Diagram - Texas Instruments TPD1E01B04 / TPD1E01B04-Q1 ESD Protection Diode
Published: 2016-07-15 | Updated: 2022-03-11