Texas Instruments TPS63900 Synchronous Buck-Boost Converter
Texas Instruments TPS63900 High-Efficiency Synchronous Buck-Boost Converter has an extremely low quiescent current (75nA typical). The device has 32 user-programmable output voltage settings from 1.8V to 5V. A dynamic voltage-scaling feature lets applications switch between two output voltages during operation, such as saving power using a lower system supply voltage during standby operation. With its wide supply voltage range and programmable input current limit (1mA to 100mA and unlimited), the Texas Instruments TPS63900 is ideal for use with a wide range of primary like 3S Alkaline, 1S Li-MnO2 or 1S Li-SOCl2, and secondary battery types. The high-output current capability supports commonly used RF standards like sub-1-GHz, BLE, LoRa, wM-Bus, and NB-IoT.Features
- 1.8V to 5.5V input voltage range
- 1.8V to 5V (100mV steps) output voltage range
- Programmable with external resistors
- SEL pin to toggle between two output voltage presets
- > 400mA output current for VI ≥ 2.0V, VO = 3.3V (typical 1.45A peak switching current limit)
- Stackable parallel multiple devices for higher output current
- Single-mode operation
- Eliminates mode transitions between buck, buck-boost, and boost operation
- Low output ripple
- Excellent transient performance
- > 90% efficiency at 10µA load current
- 75nA quiescent current
- 60nA shutdown current
- Safety and robust operation features
- Integrated soft start
- Programmable input current limit with eight settings (1mA to 100mA and unlimited)
- Output short-circuit and overtemperature protection
- Tiny solution size of 21mm2
- Small 2.2µH inductor, single 22µF output capacitor
- 10-pin, 2.5mm × 2.5mm, 0.5mm pitch WSON package
Applications
- Smart meters and sensor nodes
- Electronic smart locks
- Medical sensor patches and patient monitors
- Wearable electronics
- Asset tracking
- Industrial IoT (smart sensors) / NB-IoT
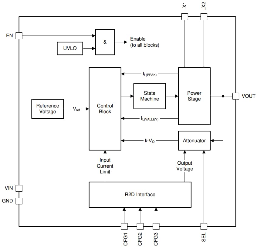
Functional Block Diagram
Published: 2020-12-11
| Updated: 2024-10-15
