Toshiba TB67H420FTG Brushed DC Motor Driver
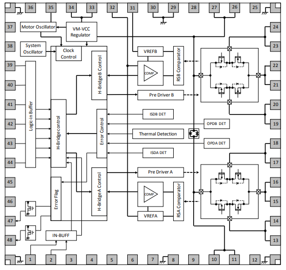
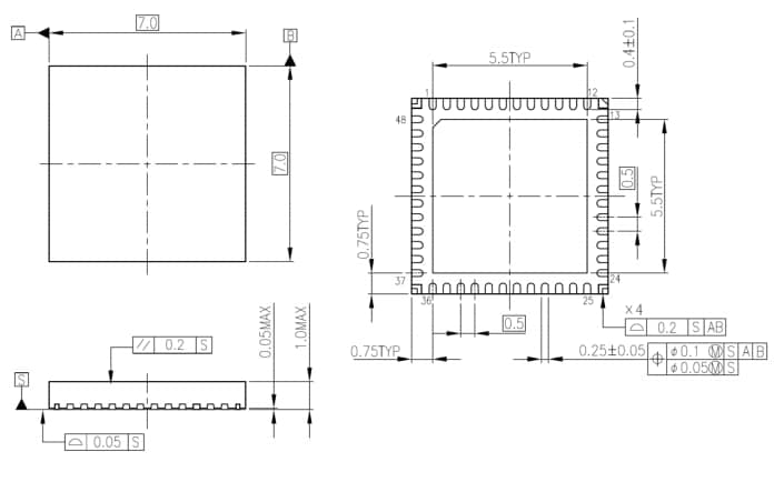
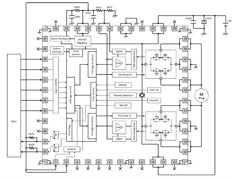
Toshiba TB67H420FTG Brushed DC Motor Driver is a motor driver with sense resistor less current control. This motor driver incorporates an internal H-bridge that can be controlled independently as 2x brushed DC motor drivers or 1x stepping motor driver using the dual H-bridge mode. The TB67H420FTG features high voltage (50V), a large current (9A), error detection features, error detection signal output, and low Rds (ON). This motor driver comes in a small 7mm x 7mm Quad Flat No-Lead (QFN-48) package with a thermal pad. Typical applications include office equipment, home appliances, banking terminals, and cash dispensers.
Features
- Supports large current (9A) and high voltage (50V) brushed DC motor operation
- Drives 2x brushed DC motors using H-bridge mode
- Drives 1x stepping motor using dual H-bridge mode
- Built-in sense resistor less current control, Advanced Current Detection System (ACDS)
- Low Rds (ON) MOSFETs (high side + low side = 0.33Ω typical)
- Error detection signal output (error output)
- Error detection features
- Thermal Shutdown (TSD)
- Overcurrent Detection (ISD)
- Power-On-Reset (POR)
- Motor load Open Detection (OPD)
- Adjustable constant current PWM frequency using external components
- Small 7mm x 7mm QFN-48 package with thermal pad
Applications
- Office equipment
- Home appliances
- Banking terminals
- Cash dispensers
Typical Application
Block Diagram
Mechanical Drawing
Published: 2018-07-09
| Updated: 2025-12-05
