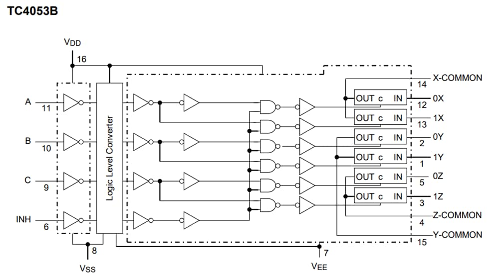
Toshiba TC4051/TC4052/TC4053 Multiplexers/Demultiplexers

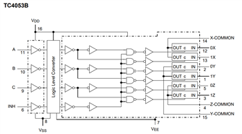
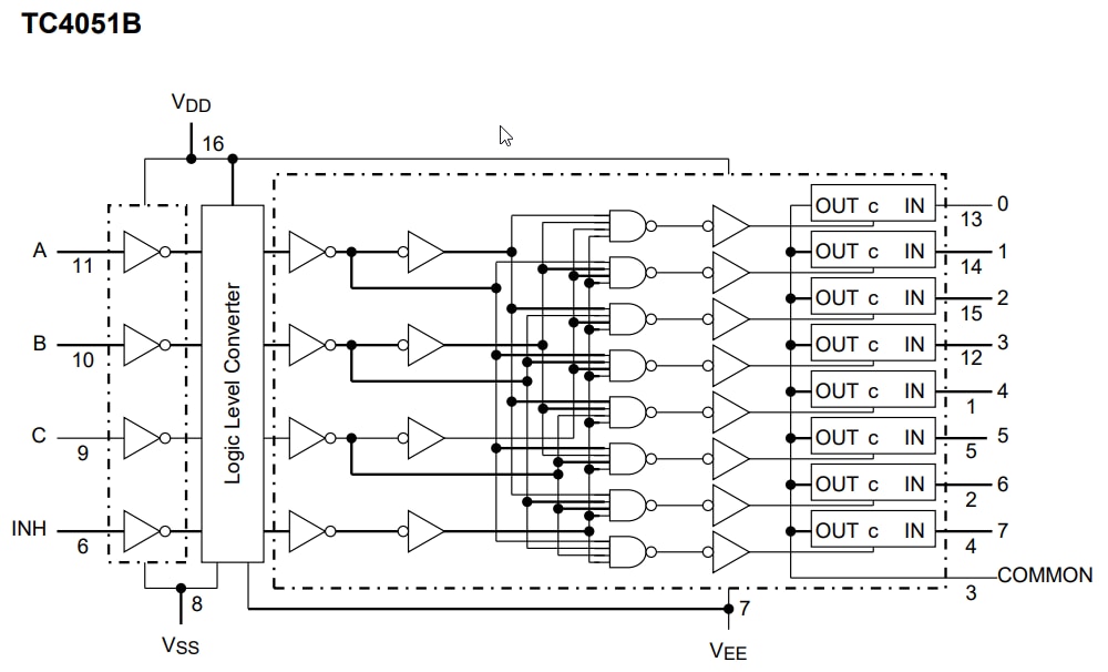
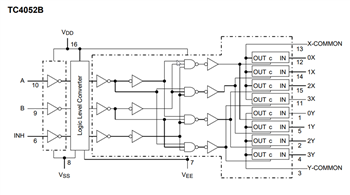
Toshiba TC4051/TC4052/TC4053 Multiplexers/Demultiplexers have the capacity to select and mix analog and digital signals. The TC4051B are single 8-channel multiplexers. TC4052 multiplexers are 4-channels x 2 configurations and TC4053 are triple 2-channel multiplexers. These silicon monolithic, complementary metal-oxide-semiconductor (CMOS) digital integrated circuits are housed in an SOP-16 or TSSOP-16 package.

Features

  • 180mW power dissipation
  • 3V to 18V supply voltage
  • 160ns propagation delay time

Logic Diagrams

Published: 2017-03-17 | Updated: 2022-06-23