Toshiba TC78B0 Brushless Motor Driver ICs
Toshiba TC78B0 Brushless Motor Driver ICs are designed to control motor rotational speed by changing the PWM duty cycle. These driver ICs feature a three-phase full-wave drive, sine-wave PWM drive, brake function terminal, selectable rotation direction, overcurrent detection circuit, and thermal shutdown circuit. The brushless motor driver ICs have a 150° trapezoid PWM chopper system that controls the motor rotational speed. The one-hall drive system and current sense resistor-elimination system reduces the number of external components and saves space on the boards. These TC78B0 brushless motor drive ICs are ideal for fan motors.Features
- Built-in protection
- Lock detection
- Overcurrent detection circuit (ISD)
- Thermal shutdown circuit (TSD)
- Under-voltage lockout circuit (UVLO)
- Over-voltage protection (OVP)
- Output current limit protection (OCP)
- Sine-wave PWM drive
- Hall amplifier
- 5mA or 6mA operating supply current
- Operating temperatures from -40°C up to +105°C
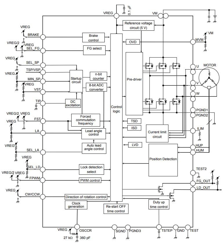
TC78B025FTG Block Diagram
TC78B015AFTG / TC78B015FTG / TC78B016FTG Application Circuit
View Results ( 5 ) Page
| Part Number | Datasheet | Output Current | Package/Case | Load Voltage Rating | Minimum Operating Temperature | Maximum Operating Temperature |
|---|---|---|---|---|---|---|
| TC78B004FTG,EL | ![]() |
100 mA | WQFN-40 | - 30 C | + 85 C | |
| TC78B016FTG,EL | ![]() |
3 A | WQFN-36 | 30 V | - 40 C | + 105 C |
| TC78B015AFTG,EL | ![]() |
3 A | WQFN-36 | 6 V to 30 V | - 40 C | + 85 C |
| TC78B015FTG,EL | ![]() |
3 A | WQFN-36 | 6 V to 22 V | - 40 C | + 85 C |
| TC78B025FTG,EL | ![]() |
3.5 A | VQFN-24 | - 40 C | + 105 C |
Published: 2018-04-16
| Updated: 2023-02-08

