Vishay Semiconductors GBPCx Single-Phase Bridge Rectifiers

Vishay Semiconductors GBPCx Single-Phase Bridge Rectifiers are glass passivated devices with high surge current capability. These rectifiers feature less than 0.5μA typical IR and quad circuit configuration. The GBPCx rectifiers operate within -55°C to 150°C and are RoHS compliant. These rectifiers are used in AC/DC bridge full wave rectification, home appliances, office equipment, and industrial automation applications.

Features

  • UL recognition file number E54214
  • Quad circuit configuration
  • Less than 0.5μA typical IR
  • High surge current capability
  • -55°C to 150°C operating junction temperature range
  • Solder dip 275°C maximum 10s, per JESD 22-B106
  • RoHS compliant
  • Universal 3-way terminals (GBPC12, GBPC15, GBPC25, and GBPC35): 
    • Snap-on
    • Wire wrap-around
    • PCB mounting
  • Packages:
    • GBPC and GBPC-W (GBPC12, GBPC15, GBPC25, and GBPC35)
    • GBPC6 (GBPC6005, GBPC601, GBPC602, GBPC604, GBPC606, GBPC608, and GBPC610)

Applications

  • AC/DC bridge full wave rectification
  • Home appliances
  • Office equipment
  • Industrial automation

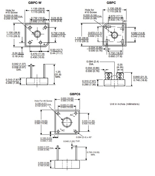
Package Outline Dimensions

Mechanical Drawing - Vishay Semiconductors GBPCx Single-Phase Bridge Rectifiers
Published: 2025-02-26 | Updated: 2025-03-20